Rover Oportuniti pronašao krst na Marsu?!

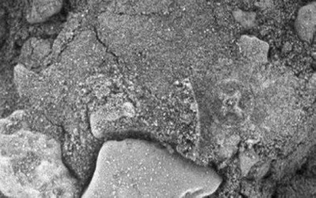
Rover Oportuniti (Opportunity) koji već dugi niz godina istraživa crvenu planetu Mars,pre neki dan je uslikao neobičnu zanimljivu fotografiju.Inače fotografija koju vidite je preuzeta sa NASA-nog web sajta na kojoj se vidi nešto što liči na krst?!…
I pored toga što ova fotografija pokazuje nešto sasvim neobično, stručnjaci NASA-e su u dilemi da li je ovaj krst nastao kao prirodni fenomen, ili ga je napravio neki od brojnih rovera koji se nalaze na Crven

oj planeti radi istraživanja
Ipak, ova slika je izazvala veliku sumnju kod NASA stručnjaka koji su sada u dilemi da li je ovaj krst nastao kao prirodni fenomen na ovoj Crvenoj planeti, ili ga je napravio neki od rovera.
S ozbirom da je Mars trenutno jedina planeta koja je nastanjena robotima sa naše planete odnosno NASA-nim robotskim vozilima, u narednom periodu se očekuje još zanimljivih detalja sa nje.
Molimo online portale (sajtove), ako kopirate orginalni clanak s našeg sajta zanimljivosti dana NAVEDITE NAS KAO IZVOR i MALO IZMENITE NASLOV.Za objavljivanje originalnih članka sa sajta na Facebook(Meta),Instagram,YouTube kontaktirajte nas za odobrenje. Hvala!
PREDLAŽEMO VAM JOŠ:



